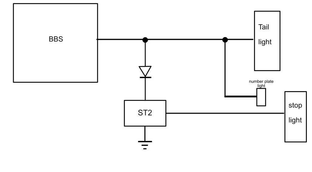
It sees to me that since both the taillight and the number plate light aren't working and the only thing common to both is the supply then that is where the fault lies.. they won't both fail simultaneously. I think the earth can be discounted because the brake light wouldn't work either. It seems simple enough to check the input voltage with a meter and if it isn't there then the BBS must be at fault. With the tail light and number plate disconnected 12V could be applied to them to check their function.